首頁 / 產品系列
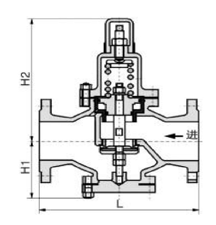
Y42X型減壓穩壓閥,是一種以活塞代替膜片的壓力調節閥。比膜片式提高壽命三倍以上。口徑小于DN50的建議選用Y110和Y116 (螺紋連接)的隔膜型減壓閥;口徑大于等于DN50的建議選用Y42X (法蘭連接)的活塞型減壓閥。該類閥門屬于可調節型減壓閥,閥后的壓力可根據需要調節,投入使用后閥后壓力始終減至并穩定在設定值,不因閥前壓力、流量的波動而改變。閥門選材優質,性能可靠,使用壽命長。

典型安裝示意圖

水利系列減壓閥.pdf